New for 2026!
A cartridge valve designed as an electro-proportional, pressure compensated, normally closed, flow control valve.
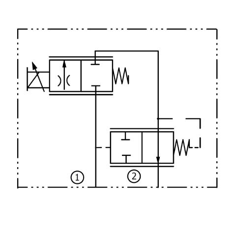
The DPFR2-100-2NC model is an internally-compensated, proportional flow control cartridge valve. This valve has consistent flow regardless of the load pressure, resulting in consistent machine behavior. The DPFR2-100-2NC improves productivity with precise control of machine motion and speed.
• PWM Duty Cycle, Ramp Time, Current Limit, Dither Frequency and Amplitude, can be provided by consulting the factory.
• Continuous-duty solenoid
• Hardened precision spool and sleeve for long life
• Efficient wet-armature construction
• Industry common cavity
- Internal Leakage: 420 cc/min max at 3000 psi (207 bar)
- Hysteresis: Less than 8%
- Temperature: -30°F to +250°F (-35°C to +120°C)
- Coil Rating: Continuous from 85% to 110% of rated voltage
- Minimum Pull-In Voltage: 85% of rated voltage at 3000 psi (207 bar)
- Recommended Filtration: Critical Application ISO 17/15/13
- Fluids: Mineral-based fluids.
- Cavity: 100-2






