New for 2026!
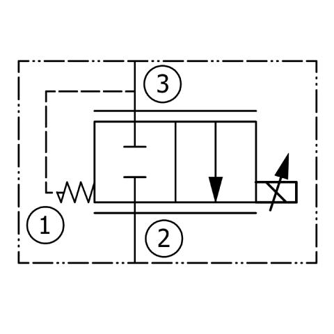
The DPFC-100-2NC model is a direct-acting, spool type, normally-closed proportional flow cartridge control cartridge valve. It offers a user the flexibility to choose the ideal pressure compensator for tuning their system. This results in achieving the desired maximum flow rate while using the complete resolution of the proportional valve. An externally compensated flow control can be used where instability in the system exists.
PWM Duty Cycle, Ramp Time, Current Limit, Dither Frequency and Amplitude, can be provided by consulting the factory.
Continuous-duty solenoid
Hardened precision spool and sleeve for long life
Manual override options
Industry common cavity
- Internal Leakage: 197 cc/min max at 3000 psi (207 bar
- Temperature: -30°F to +250°F (-35°C to +120°C)
- Coil Rating: Continuous from 85% to 110% of rated voltage
- Minimum Pull-In Voltage: 85% of rated voltage at 3000 psi (207 bar)
- Recommended Filtration: Critical Application ISO 17/15/13
- Fluids: Mineral-based fluids.
- Cavity: 100-3






